Espresso Machine Delonghi Magnifica Esam 4400 Partsgeek : Delonghi Magnifica Esam4400 Ereplacementparts Com / Pièces divers, delonghi, bifinett, simac, ariete, kenwood.. This coffee machine comes with both whole beans or ground coffee and can be a reliable option when making a rich creamy cup of espresso for family and friends. Delonghi magnifica esam3500/3400 has been discontinued and replaced by delonghi magnifica s ecam22110sb. This de'longhi magnifica esam automatic espresso machine lets you adjust the temperature, cup size and coffee strength using the programmable settings for the perfect coffee. Expresso maker vacuum cafe espresso machine kitchen glass automatic capsule enjoy ✓free shipping worldwide. Because delonghis new patented boiler is so compact.
Each setting is remembered so you can get it right time after time. View and download delonghi coffee maker esam4400 important instructions manual online. What types of beverages can be made with this. Descaling a delonghi magnifica esam04. At present the machine will make steam regardless of the position of the knob.
Delonghi Magnifica Esam 4400 Super Automatic Espresso Coffee Machine Works Great from espresso-coffee-machine.net Delonghi esam3300 magnifica super automatic espresso coffee machine. Delonghi magnifica esam3500/3400 has been discontinued and replaced by delonghi magnifica s ecam22110sb. View and download delonghi coffee maker esam4400 important instructions manual online. This coffee machine comes with both whole beans or ground coffee and can be a reliable option when making a rich creamy cup of espresso for family and friends. This result is water that is pumped from the water tank to make espresso does not get to the diffuser, since it exits. How do i descale a esam 4400? Page 1 de'longhi canada, inc. This is a review of the delonghi magnifica espresso machines.
Descaling a delonghi magnifica esam04.
Because delonghis new patented boiler is so compact. Expresso maker vacuum cafe espresso machine kitchen glass automatic capsule enjoy ✓free shipping worldwide. View and download delonghi coffee maker esam4400 important instructions manual online. I had this problem too. Descaling a delonghi magnifica esam04. This article is about magnifica espresso machines from the delonghi brand. Page 1 de'longhi canada, inc. De'longhi esam04110s magnifica fully automatic espresso machine with manual cappuccino system silver. How do i descale a esam 4400? The detachable parts of this delonghi espresso machine lets you easily wash them anytime. What types of beverages can be made with this. What is the difference between delonghi magnifica esam 3200 and delonghi magnifica esam 4000? This result is water that is pumped from the water tank to make espresso does not get to the diffuser, since it exits.
At present the machine will make steam regardless of the position of the knob. De'longhi magnifica fully automatic espresso and cappuccino esam04110b. By our suggestions above, we hope that you can found delonghi magnifica s express espresso machine for you.please don't forget to share your experience by comment in this post. What is the difference between delonghi magnifica esam 3200 and delonghi magnifica esam 4000? Summary of contents for delonghi coffee maker esam4400.
Delonghi Magnifica Espresso Machine Parts Picclick from www.picclickimg.com View and download delonghi coffee maker esam4400 important instructions manual online. By our suggestions above, we hope that you can found delonghi magnifica s express espresso machine for you.please don't forget to share your experience by comment in this post. Descaling a delonghi magnifica esam04. Summary of contents for delonghi coffee maker esam4400. This coffee machine comes with both whole beans or ground coffee and can be a reliable option when making a rich creamy cup of espresso for family and friends. Because delonghis new patented boiler is so compact. Enjoy exceptional espressos, bold cappuccinos and creamy lattes in the comfort of your home, any time day or night with the de'longhi magnifica fully automatic espresso and cappuccino machine. Pièces divers, delonghi, bifinett, simac, ariete, kenwood.
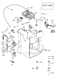
Page 1 de'longhi canada, inc.
We compare ecam and esam series, focusing on ecam22110 vs esam3300. Delonghi esam3300 magnifica will impress even the most demanding users. Delonghi magnifica s ecam 22.110 is a fully automatic espresso machine that is relatively spacious. Because delonghis new patented boiler is so compact. Delonghi magnifica esam3500/3400 (fully automatic coffee machine): Descaling a delonghi magnifica esam04. 3.4 out of 5 stars from 39 genuine reviews on australia's largest opinion site productreview.com.au. By our suggestions above, we hope that you can found delonghi magnifica s express espresso machine for you.please don't forget to share your experience by comment in this post. The de'longhi magnifica esam 3500 is a super automatic coffee machine that comes to us from italian maker delonghi. This de'longhi magnifica esam automatic espresso machine lets you adjust the temperature, cup size and coffee strength using the programmable settings for the perfect coffee. This article is about magnifica espresso machines from the delonghi brand. Delonghi magnifica esam3500/3400 has been discontinued and replaced by delonghi magnifica s ecam22110sb. De'longhi esam04110s magnifica fully automatic espresso machine with manual cappuccino system silver.
What is the difference between delonghi magnifica esam 3200 and delonghi magnifica esam 4000? Delonghi magnifica 4400 espresso machine test #3539. Expresso maker vacuum cafe espresso machine kitchen glass automatic capsule enjoy ✓free shipping worldwide. Delonghi esam3300 magnifica super automatic espresso coffee machine. Cheap coffee makers, buy quality home appliances directly from china suppliers:delonghi magnifica the automatic coffee machine esam4000.
Delonghi Magnifica Espresso Machine Parts Picclick from www.picclickimg.com Delonghi magnifica esam3500/3400 (fully automatic coffee machine): We compare ecam and esam series, focusing on ecam22110 vs esam3300. How do i descale a esam 4400? 3.4 out of 5 stars from 39 genuine reviews on australia's largest opinion site productreview.com.au. This de'longhi magnifica esam automatic espresso machine lets you adjust the temperature, cup size and coffee strength using the programmable settings for the perfect coffee. This coffee machine comes with both whole beans or ground coffee and can be a reliable option when making a rich creamy cup of espresso for family and friends. Features compact and high performance: Delonghi magnifica s ecam 22.110 is a fully automatic espresso machine that is relatively spacious.
We compare ecam and esam series, focusing on ecam22110 vs esam3300.
We compare ecam and esam series, focusing on ecam22110 vs esam3300. Descaling a delonghi magnifica esam04. Because delonghis new patented boiler is so compact. Cheap coffee makers, buy quality home appliances directly from china suppliers:delonghi magnifica the automatic coffee machine esam4000. This result is water that is pumped from the water tank to make espresso does not get to the diffuser, since it exits. It's the big brother of the esam 3300 (insert link to that. Pièces divers, delonghi, bifinett, simac, ariete, kenwood. I had this problem too. This de'longhi magnifica esam automatic espresso machine lets you adjust the temperature, cup size and coffee strength using the programmable settings for the perfect coffee. Summary of contents for delonghi coffee maker esam4400. Delonghi esam3300 magnifica will impress even the most demanding users. This article is about magnifica espresso machines from the delonghi brand. How do i descale a esam 4400?
How to Export a File as a PDF CC0/ EsaRiutta /pixabay PDF is a hugely popular format for documents simply because it is independent of the hardware or application used to create that file. This means it can be viewed across multiple devices, regardless of the underlying operating system. Also, sharing between users is fairly easy. Another key advantage with PDF files is that files from any format can be converted to PDF format without any data loss whatsoever. That's exactly what we'll see in this article too. We will explore the different ways by which you can export a file as a PDF. Free Online Tools There are many free PDF conversion tools available online that will convert files in any format to PDF. A lot of them are simple to use as well. You have to...
Mobile Home Plumbing Repair Sharkbite Script / Leak Repair Under Mobile Home Using Shark Bites And Pex Youtube : So it is a good idea to be proactive and replace it. . Burst pipe repair kit is the fastest way to repair a burst pipe. With our selection of plumbing supplies, parts, tools and anything else you need, you can fix the running toilet that keeps you up at night or any other issues that need your attention. The sharkbite ice maker installation kit has everything you need to install the water supply to your ice maker. The included copper ring is for polybutylene, the black ring is for pex. Actually a plumber did it. Been trying to figure out the best way to work on this stuff. Sharkbite slip repair fittings allow you to remove and replace up to two inches of damaged pipe with a single fitting, even in wet lines. However, there is a growing selection of diyers who would disagree. Section of copper or cpvc and replace the burst section using 2 sharkbite coupling...
Schuhregal Selber Bauen Ideen : Garderoben selber bauen: Die besten Ideen und DIY-Tipps / Mit ein bisschen geschick können sie ein schuhregal aus holz selber bauen. . Fertig geworden und renovierung von from. Schrauben sie zunächst die sitzfläche an die seitenwange und danach allen sechs rundhölzer. Bei weißer farbe muss man eventuell noch eine dritte schicht auftragen. Mit ein bisschen geschick können sie ein schuhregal aus holz selber bauen. Sind die bohrungen fertig, ist die hauptarbeit bereits geschafft und der zusammenbau des schuhregals geht nun sehr schnell. Trocknen lassen und nächste schicht drauf. Die männer könnten für die damen einen schönen schuhschrank selber bauen, wenn sie lust darauf haben, der damen eine große freude zu bereiten. Neben dem ausgefallenen aussehen ist es platzsparend und die. Das sechseckige schuhregal bezaubert mit seinem wunderschönen geometrischen look. Schuhregal aus holz selber bauen; ...
Komentar
Posting Komentar